数字电路实验报告三
第一组数字电路实验报告三
目录
[第一组数字电路实验报告三 1]
[一、 实验环境与仪器 1]
[1. 实验环境 1]
[2. 实验仪器 2]
[二、 实验内容 2]
[1、 FPGA实验箱LED点阵测试——测试点亮16*16LED点阵的方法
2]
[2、
LED点阵功能测试电路设计——设计电路测试16*16点阵所有光源点正常与否
3]
[74LS197接10kHz脉冲。 4]
[3、 LED点阵功能显示电路设计——设计”中””大”字显示电路
5]
[4、 LED点阵功能显示电路设计——设计个性内容显示电路
6]
实验环境与仪器
实验环境
实验时间:2022.11.17
地点:教学大楼A412
气温:24℃
实验仪器
FPGA实验箱
元器件
实验内容
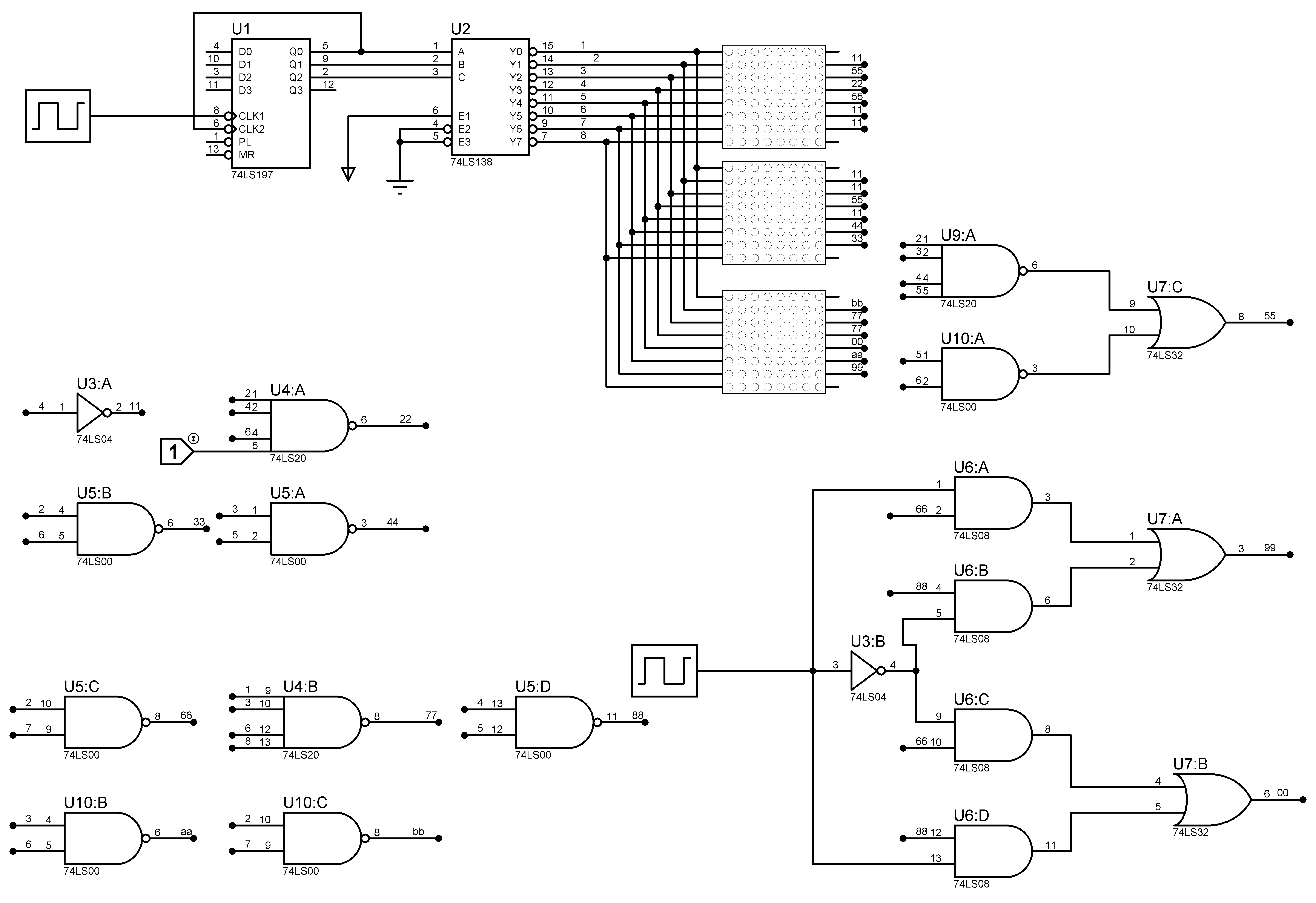
FPGA实验箱LED点阵测试——测试点亮16*16LED点阵的方法
经实验得LED点阵特定点得输入条件位:行输入高电平有效,列输入低电平有效,上面是行输入端口,从左到右对应1~16行,右边是列输入端口,从下到上对应1~16。部分实验图如下所示:
ROW=1,COL1=0:

ROW=4,COL9=0:

LED点阵驱动原理图:

LED点阵功能测试电路设计——设计电路测试16*16点阵所有光源点正常与否
电路图如下所示:

由于拨码和74LS138的输出8个,所以我们一个端口依次连接两个输入,这样一个拨码控制两行,138的一个输出端控制两列。
实验图如下所示:
74LS197接10kHz脉冲。
拨码开关为11111111:

由于列扫描频率非常高,所以看上去是常亮的。
拨码开关为00000000:

LED点阵功能显示电路设计——设计”中””大”字显示电路
设计:列扫描还是连接74ls138,所以用与非门来选择某一行在扫描到哪些列的时候点亮。
比如中字,第三行和第五行在2 、3 、4 、5
、6列的时候点亮,所以可以用五输入与非门(用四输入与非门+二输入与门来搭建)来实现。
而第2 、6 、7行只需要第四列点亮,这时候可用非门来实现。
用这样的方法,就可以搭建”中大”显示电路。
电路图如下所示:(其中以00 、99 、77 、aa
、bb为输出的组合逻辑门和最下面的显示点阵是属于下一实验的)
实验图如下所示:


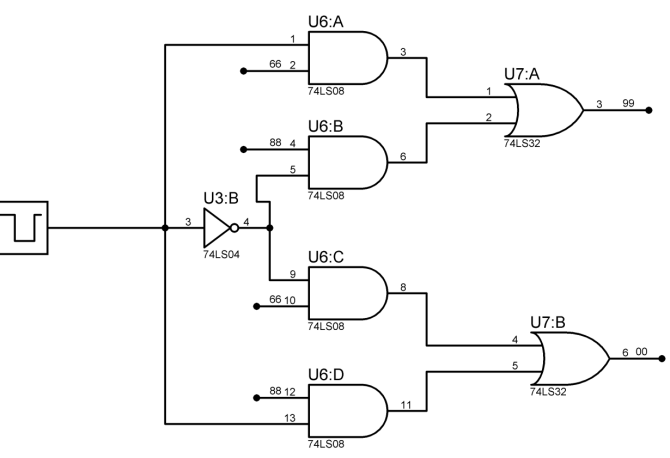
LED点阵功能显示电路设计——设计个性内容显示电路
我们小组尝试设计并实现笑脸和哭脸在一个8x8LED点阵循环显示的电路。这实际上相当于两个静态扫描的组合,然后用1Hz的时钟信号来控制切换两个静态扫描。

从这个笑脸和哭脸的点阵图可以看出:两张脸的区别是在第六行和第八行,它们刚好是调转的:笑脸是第八行4
、5列点亮,而哭脸是第六行4 、5行点亮;笑脸是第六行2
、7列点亮,而哭脸是第八行2
、7列点亮。所以对于这两行的输入,我们可以设计如下电路,接入的是1Hz的脉冲。以这种方式连接高电平的时候就显示笑脸,低电平的时候显示哭脸。

完整电路图如下所示:

实验效果如下所示:

